欢迎访问苏州工业园区贝奇仪器有限公司官方网站 !

Product information

测试及培训技术服务

当前位置: 网站首页 >> 测试及培训技术服务

PDN输出阻抗测试

PDN输出阻抗测试

行业应用 AC/DC电源,DC-DC电源模块,PMIC,FPGA,GPU,ASIC,MCU芯片客户 介绍方案 E5061B-3Lx+功分器+测试探头 方案文档

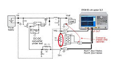
环路响应测试

环路响应测试

行业应用 AC/DC电源,DC-DC电源模块 介绍方案 E5061B-3Lx+隔离变压器+测试探头/HD3/3000G示波器+隔离变压器+测试探头 方案文档

PSRR测试/CMRR/DMRR测试

PSRR测试/CMRR/DMRR测试

行业应用 LDO器件,DC-DC模块,PMIC芯片,数模、模数转换芯片 介绍方案 E5061B-3Lx+线性注入器+测试探头+电源+电子负载 方案文档

USB2.0信号质量测试

USB2.0信号质量测试

行业应用 带USB2.0接口的3C产品,车载域控产品,车载多媒体产品,安防监控,网络交换机/路由器,智能割草机,电动工具产品等 介绍方案 EXR示波器+测试夹具+高带宽探头*1 方案文档

MIPI信号质量测试

MIPI信号质量测试

行业应用 车载域控产品,车载多媒体产品,安防监控,摄像头/屏显产品,视觉传感器产品等 介绍方案 EXR示波器+测试夹具+高带宽探头*4 方案文档

以太网测试

以太网测试

行业应用 带LAN接口的3C产品,车载域控产品,车载多媒体产品,安防监控,网络交换机/路由器,智能割草机,电动工具产品等 介绍方案 EXR示波器+测试夹具+高带宽探头*1 方案文档